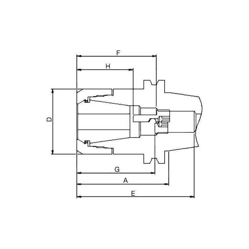
Konstrukce: Konstantní soustřednost a opakovatelnost 0,003 mm při vzdálenosti 3 x D (max. 50 mm) v kombinaci s přesnými upínacími kleštinami FAHRION GERC-HP/HPD/HPDD (2 µm) i závitovými kleštinami GERC-GBD. Upínání pomocí válečkového klíče bez rizika poranění. Až o 100 % vyšší upínací momenty než u běžných upínacích kleštin. Necitlivé na teplotní výkyvy. Velmi dobré tlumení vibrací a stabilita. Použití: V oblasti HSC a HPC a pro vysoce přesné výsledky obrábění. Pro upínání nástrojů s přímou stopkou a podle DIN 1835 B, 1835 E, 6535 B a 6535 E. Poznámka: Dodává se bez upínací matice a klíče na válečky.
Strojově přeloženo.
16 dalších produktů ve stejné kategorii:
Hodnoceno našimi zákazníky
Prohlédněte si vybraná hodnocení našich zákazníků.
Rychlé dodání.
Slabiny:
Nic.
Ověřený zákazník 15.04.2026
Perfekt. Večer objednané, druhý deň ráno odoslané.
Ověřený zákazník 13.04.2026
rychlost odeslání a dodávky zboží
Ověřený zákazník 08.04.2026
Ověřeno našimi zákazníky
Prohlédněte si vybraná hodnocení našich zákazníků.
V 16:03 objednáno a další den doručeno. Super a můžu jen doporučit
Ověřený zákazník 04.04.2026




Rychlé dodání, perfektní servis - podání dodatečných informací k produktu.
Ověřený zákazník 30.03.2026




Rychlé dodání, dobrá cena.
Ověřený zákazník 27.03.2026









































