Upínací svorka Pitbull ostrá hrana 2,8 kn IBT
MITEEBITE POWERCLAMP Upínací svorka Pitbull ostrá hrana 2,8 kn IBT
577,47 Kč bez DPH
Svěrka Pitbull® z nástrojové oceli s nožovým ostřím
Univerzální upínací systém pro upínání všech tvarů obrobků, ať už pravoúhlých, úhlových, konkávních nebo konvexních.
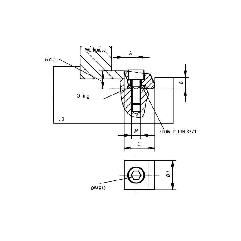
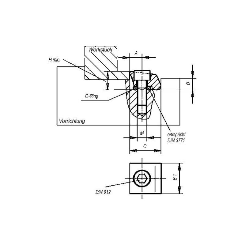
Konstrukce:Speciální vlastností tohoto upínacího zařízení je ocelový šroub (pevnost 10,9) s excentrickou hlavou.Excentr způsobuje upínací pohyb při velmi vysoké upínací síle. Mosazná šestihranná podložka slouží jako upínací prvek.
Použití: Pomocí dorazových kolíků a 1 nebo 2 upínacích šroubů lze upnout jakýkoli obrobek nejrůznějších tvarů. Nízká celková výška umožňuje snadné opracování povrchu obrobku. To znamená, že při programování CNC není třeba brát ohled na polohu upínacích kleští. Malé rozměry navíc umožňují prostorově úsporné vícenásobné upínání. Svěrky lze použít i jako doraz.
Konstrukce: Svěrky Pitbull® jsou k dispozici ve třech provedeních:
- z nástrojové oceli, s ostřím nože pro surové díly (odlévané, kované nebo řezané díly)
- z nástrojové oceli, s tupým ostřím pro všeobecné práce
- z mosazi, s tupým ostřím pro zabránění vzniku upínacích drážek.
Použití: Jednoduché a důmyslné. Zadní část svorky se utažením šroubu (DIN 912) podepře směrem dopředu a dolů. Výsledkem je absolutní stahovací efekt pro přesné obrábění nejrůznějších obrobků. Ideální také pro vícenásobné upínání. Malé rozměry umožňují vícestranné obrábění bez rušivých hran nástroje.
Rozsah dodávky: Svorka se šroubem (DIN 912), svorkou a O-kroužkem, bez imbusového klíče.
Rozměry B a D jsou přibližné hodnoty.
Rozměr H = B + D.
Parametry
- Rozměr a [mm]
- 3,8
- Rozměr B [mm]
- 3,6
- Rozměr D [mm]
- 1,9
- Rozměr C [mm]
- 9,5
- Utahovací síla
- 2,8 kN
- Šroub
- M2,5
- Zdvih upnutí [mm]
- 0,15
- Šířka upnutí [mm]
- 9,5
- Utahovací moment
- 1,8 N-m
16 dalších produktů ve stejné kategorii:
Hodnoceno našimi zákazníky
Prohlédněte si vybraná hodnocení našich zákazníků.
Rychlé dodání.
Slabiny:
Nic.
Ověřený zákazník 15.04.2026
Perfekt. Večer objednané, druhý deň ráno odoslané.
Ověřený zákazník 13.04.2026
rychlost odeslání a dodávky zboží
Ověřený zákazník 08.04.2026
Ověřeno našimi zákazníky
Prohlédněte si vybraná hodnocení našich zákazníků.
V 16:03 objednáno a další den doručeno. Super a můžu jen doporučit
Ověřený zákazník 04.04.2026




Rychlé dodání, perfektní servis - podání dodatečných informací k produktu.
Ověřený zákazník 30.03.2026




Rychlé dodání, dobrá cena.
Ověřený zákazník 27.03.2026


































